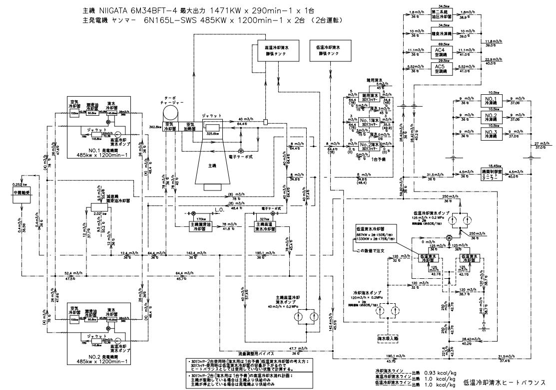
低温冷却清水クーラー(LOW TEMP COOLING FRESH WATER COOLER)
用途:
数十年前の船舶では機関のジャケット用に高温の冷却水を海水で冷やすと錆等により故障の原因と成るため清水が用いられていた。
その他の冷却媒体は一般的に海水冷却方式を採用されていた。
その後、船の寿命を延ばす(20年以上)事から冷却水と名が付く物には清水が用いられるようになり、機関のジャケット等以外は温度が低いので
低温冷却清水システム俗に言うセントラルクーリングシステムの利用が一般的と成って来た。
色んな機器を冷却し帰ってきた冷却温度は60℃近くに成るので、それをクーラーで36℃まで冷やしてポンプで押し出し冷却し戻ってくると言う
循環システムである。
例えばクーラーの清水入口を60℃弱とし出口を36℃とする、その温度差を海水でエネルギーを取去ることに成る。
海水温度は船の設計として一般的に32℃としているので冷却清水温度はおのずと32℃以下にはならない、効率も有り
一般的に出口温度36℃が使われている。
注意:冷却海水側の流量を下げすぎると入口温度と出口温度の差が大きく成り、10℃を超えた場合には出口側に塩が出る場合が有るので
基本的に温度差Max.10℃と考える。
では以下計算例題を示す。
・合計熱量:(H)887kW (以下の数値を見合わせながら決定する)
機器注文時には船主協議の上余裕率を決定する:例えば50%UP 1,330kw ((1,143,753kcal :1kw=860kcal)
・清水比重量:(γf)1000kg/m3
・清水比熱:(Cf)1.00kcal/kg・℃
・海水比重量:(γs)1026kg/m3
・海水比熱:(kcal/kg・℃)0.93kcal/kg・℃
・清水側
1.流量:(Qf)125m3/h 以下に示すヒートバランスで必要流量の合計をし決定する。
2.温度差:(Δtf)6.1℃ ( Δtf=H/(Qf・1000・1)
3.出口温度:(tf1)36℃ ( tf1=tf2-Δtf)
4.入口温度:(tf2)42.1℃
・海水側
1.流量:(Qs)120m3/h (ヒートバランスに依るが先に注記したように温度差10℃以内で流量を決定する。)
2.温度差:(Δts)6.7℃ (Δts=H/(Qs・1000・4.19))
3.出口温度:(ts1)32℃
4.入口温度:(ts2)38.7℃ ( ts2=ts1+Δts)
・温度差
1.清水入口側:(θ1)4℃ ( θ1=tf1-ts1)
2.海水入口側:(θ2)3.4℃ ( θ2=tf2-ts2)
・平均温度差:(θm)3.7℃ ( θm=(θ1-θ2)/ln(θ1/θ2))
・熱還流率:(K)4,000kcal/m2h℃ (4,652W/m2°K)・一般的に清水冷却器の場合この程度と考えられるが、実際には冷却器メーカーの数値が正
(プレートクーラー:4,000kcal/m2h℃, シェルチューブ:2,000kcal/m2h℃程度が参考数値)
・ここで例題としてCooling surface areaを求める
A (m2):表面積
H (kcal):処理熱量
K (kcal/m2h℃):熱貫流率
α :汚れ係数・清水冷却器の場合0.85を使用する
θm (℃):対数平均温度差(出入口)
A=H/(K・α・θm) = 887 x 860/(4,000x0.85x3.7) = 60.6 m2 ・参考値として取扱う
